专利展示华耀众联(环保用电监控、分表计电、产治监控、用电监测,用电工况)

企业文化MORE

企业文化

华耀众联:环保用电监管数字化革命的引领者作为全国独家提供LoRaMESH自组网现场解决方案及环保工况、分表计电生态链增值服务的高新技术企业,华耀众联以创新技术重塑环保监管格局。我们的独特优势:技术领航:独家LoRaMESH自组网技术,实现复杂环境下99.9%的通信稳定性,...

检测报告
当前位置: 主页 > 专利展示 > 检测报告

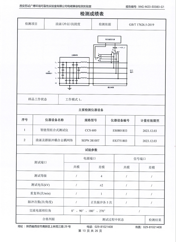
环保用电工况监管采集器检测报告

类别:检测报告日期:2024-08-13
我要分享


 
上一篇:暂无 下一篇:暂无 返回